-
Valtra 6000- Ja 8000-sarjat
korjaamokirja + varaosakirja
ID 3211271.
Korjausoppaat ajoneuvokirjallisuusIlmoitustyyppi Myydään Sijainti Helsinki, UusimaaPäivitetty 02.10.2025 Lisätiedot
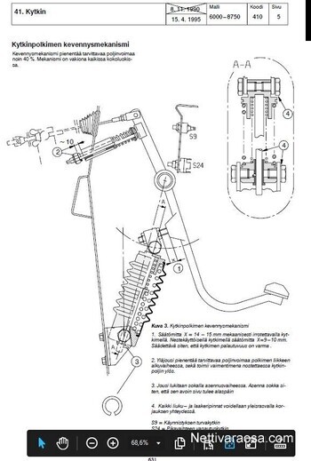
altra Valmet 6000- ja 8000-sarjojen suomenkielinen korjaamokäsikirja ja varaosakirja (räjäytyskuvat) dvd-levyllä.
Yli 1700 sivua (sisällysluettelo+hakutoiminto), tulostettavissa tarpeen mukaan (pdf).
Varaudu - tämä maksaa itsensä korkoineen jo ensimmäisessä remontissa!
-
Toimitusehdot
Maksutapa: Tilisiirto, KäteinenToimitustapa: Posti, Nouto, MuutToimituskulut Suomeen: 4 €
Voit tarkistaa kohteen tarkat tekniset tiedot ja historiatiedot omistajista, katsastuksista sekä vakuutuksista Rekkari.fi:stä. Hinta alkaen 2,90 €Nettivaraosa.com ei ota vastuuta myyjän antamien tietojen paikkansapitävyydestä. Ilmoitetuissa tiedoissa saattaa olla myös tahattomia puutteita tai virheitä. Tieto on siis sitova vasta kun myyjä on sen pyynnöstäsi vahvistanut.Soita:40 €Valtra 6000- ja 8000-sarjatNettivaraosa ID 3211271Ohjeet turvalliseenPikalinkitAjoneuvokirjallisuus Ajoneuvon lisävarusteet Ajovarusteet Autohifi ja tarvikkeet Auton varaosat Autotarvikkeet ja lisävarusteet Hoitotuotteet, kemikaalit ja öljyt Elektroniikka Katsotuimmat Kesärenkaat Kypärät Matkailuautojen varaosat Matkailuvaunujen varaosat Moottorikelkan varaosat Moottoripyörän varaosat Mopojen varaosat Mönkijän varaosat Navigaattorit Perävaunut Projektit Racing osat Rengassarjat Renkaat Talvirenkaat Tuning osat Turvaistuimet Työkalut Työkoneen varaosat Vaihdetaan Vanteet Varaosa- ja kolariautot Videoilmoitukset
kaupankäyntiin Nettivaraosa.com
mobiililaitteissa Omat ajoneuvot -